用户登录:用户名  密码  会员服务
  首页 | 最新采购 | 现货热卖 | IC库存 | 非IC库存 | 应用资料&程序库 | 交流区 | 供应商 | 生产商 | 技术资料
应用资料:  
您现在的位置:首页 >  技术资料   上载库存  

基于PIC单片机的热水控制器设计

本文介绍了用PIC16C57单片机设计的一种多功能热水控制器,具有自动和手动加水、设置水温、实时显示水量及温度和报警功能,并且具有结构简单、可靠性高、成本低等特点。
 关键词: PIC单片机;DS1820数字温度传感器;热水控制器

  引言

  当前市场上的热水控制器基本上采用双金属片温控,控温精度低、可靠性差、功能单一。随着微电子技术的发展,单片微处理器功能日益增强,价格低廉,在各方面得到广泛应用。在热水控制器中应用单片机,具有设计简单、可靠性高、功能易扩展等优点。

  热水控制器主要实现对水温的控制,并满足不同用户的个性需求。因此一个较完善的控制器应具有以下功能:

  水温的测量与显示;

  水量的测量与显示;

  用户设定功能(如水温设定,定时设定等);

  对电加热管的控制功能;

  一些功能键(如定时自动加水,恒温控制,手动加水,手动加热等)。

  安全措施(漏电检测,安全失效保护,限温保护等)。


图1 总体布局图


2(a)基本温度水温测量电路


图2 (b)基本显示电路图图


图2(c)水闸加热管控制电路

  硬件电路设计

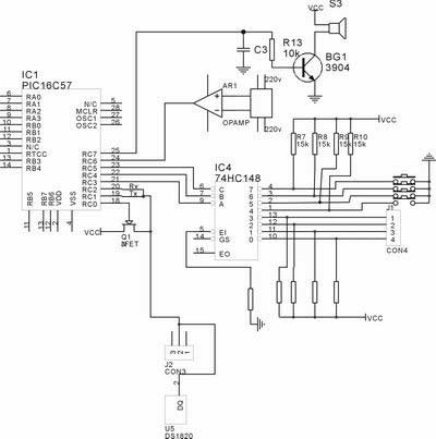
  根据热水控制器的功能要求,并结合对PIC16C5X系列单片机的资源分析,采用此系列中的主流型号PIC16C57作为电路系统的控制核心。电热水控制器的总体布局如图1所示。

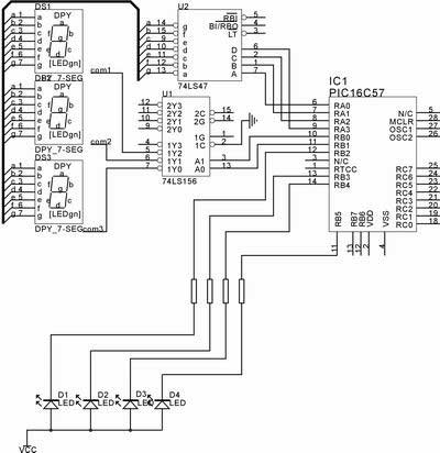
  基本硬件电路图如图2(a)~(c)所示。在本系统中,RA0~RA3用于七段码显示,RB6控制水闸开关,RB7控制电加热管,RC3~RC5用于按键设计和读取水量,RC0~RC2用于跟DS1820通信进行水温测量,RB0~RB1对七段码进行扫描,RB2~RB5 LED指示灯显示,RC6漏电检测,RC7控制扬声器用于报警和指示。

  水温测量电路

  测温元件采用DALLAS的单线数字温度传感器DS1820。DS1820提供九位温度读数,测量范围-55℃~125℃,采用独特1-WIRE 总线协议,只需一根口线即实现与MCU的双向通讯,具有连接简单,高精度,高可靠性等特点。在工作时,通过总线向其提供电源,单片机发出指令码读取温度值。

  键盘与水量测量电路

  由于在本系统中,只要求显示四个档位的水量值,因此水量传感器采用的是开关式传感器,当水量达到某一档时会拉低该档电平,接口电路与按键按下类似。因此在电路设计中,将水量档位信号与按键通过一片74HC148优先编码器连接到单片机的I/O口上。按键的优先权高于水量信号,水量高档位信号优先权高于低档位信号,以保证能优先响应按键。

  显示电路

  温度采用二位七段码显示,显示范围0℃~99℃。水量采用一位七段显示,显示1、2、3、4,四档水位。对温度和水量进行循环扫描显示。四个LED用于当前按键功能设定。

  水温和水量控制电路

  单片机通过光电耦合对继电器进行控制,用来切断或接通加热管电源,关闭或打开水阀,从而达到对水温和水量的控制。

  漏电检测及报警电路

  由于热水器工作在潮湿的场合,因此需具备漏电检测与报警功能。漏电检测由漏电检测线圈的输出经整形后输入到RC6口,电路原理图如图3(a)所示。当漏电流超过一定阈值时,比较器输出低电平,否则保持高电平,再通过一单稳态触发器电路产生如图3(b)所示波形,低电平保持时间t可由单稳态触发器进行调整设定。在本系统中t为10ms,由于PIC16C57没有中断功能,因此程序中必须每隔一定时间(小于10ms)对RC6口进行查询,以检测是否漏电,一旦检测到RC6变低,经过确认后切断加热管电流,同时进行报警。报警电路还在传感器出现故障、超温时报警提示。

  PIC16C57本身具有看门狗定时器,当系统出现异常时,能自动进行掉电保护和系统复位。


图3(a)电路原理图


图3(b)波形图


图4 系统流程图


图5 RTCC原理图

  系统软件设计

  系统软件采用PIC16C5X精简指令编写。由于PIC16C57没有中断功能,因此本系统中键盘扫描、漏电检测等子程序都通过查询实现,并采用4MHz的时钟频率,对指令的运行时间进行了精确计算和设计,保证软件的可靠性和稳定性。系统主程序框图如图4所示,本文讨论键盘显示与水温测量两个模块。

  键盘和显示

  本系统中,有四个功能按键:定时加水、恒温控制、手动加水和手动加热;三个七段码显示与四个LED灯指示。

  a) 按下定时加水按钮时,定时LED变亮,并以当前时间为定时时标,每24小时自动加水至设定水量;若长按此钮超过5秒,定时LED灭,并听到“嘟”一声进行水量设定,此后每按一下钮,水量显示加一档,1~4档循环显示,不按此钮超过5秒,再次听到“嘟”一声,水量设定完毕。系统的定时功能主要通过软件完成。PIC16C5X内带一个8位定时器/计数器RTCC,在进行24小时定时加水时采用了该定时器,RTCC及其相关电路如图5所示。

  由图5可知,RTCC工作状态由OPTION寄存器控制,其中OPTION寄存器的RTS位用来选择RTCC的计数信号源,当RTS为“1”时,信号源为来自RTCC引脚的外部信号,RTS为“0”时,信号源为内部时钟。OPTION寄存器的PSA位控制预分频器分配对象,当PSA为“1”,分配给RTCC,即外部或内部信号经过预分频器分频后再输出给RTCC。预分频器的分频比率由OPTION内的PS0~PS2决定。OPTION的RTE位用于选择外部计数脉冲的触发沿,当RTE为"1"时下降沿触发,“0“时为上升沿触发。RTCC计数器采用递增方式计数,当计数至FFH时,在下一个计数发生后,将自动复零,重新开始计数,以此循环下去。在实际设计中,OPTION寄存器为“00100111“,即定时器的信号源来自RTCC引脚的外部信号,预分频器的分频比率为1:256,上升沿触发。RTCC引脚信号的输入频率为1kHz,因此RTCC计数至FFH时需65536ms。通用寄存器F0EH、F0FH用作定时暂存。

  当设置定时加水功能时,初始化RTCC、OPTION、F0EH、F0FH,开始进行定时,每隔256ms查询一次RTCC的值,RTCC每循环一次,F0EH-F0FH增1,当增到1318时,24小时定时到,寄存器复位,自动加水。

  b) 按下恒温控制钮,恒温LED变亮,表示进行恒温控制,再按一下LED灭,取消恒温控制。与水量设定类似,长按后,进行温度设定。

  c) 按下手动加热钮时,加热LED变亮,加热至65℃,如水量少于1档,则先加水到1档,再按一次取消加热。

  d) 按下手动加水钮时,加水至设定水量值,长按可设定水量。手动加水过程中,再次按下取消加水。

  正常情况下,两个七段码显示当前水温,另一个显示当前水位。

  水温测量

  温度读取是通过与DS1820通信完成。DS1820通信功能是分时完成的,它有严格的时隙概念。因此系统对DS1820的各种操作必须按协议进行。操作协议为:初始化DS1820(发复位脉冲 →发ROM功能命令 →发存储器操作命令 →处理数据)。各操作时序图如图6和图7所示。

  本程序中需用到的操作命令如下:

  SKIPROM命令(CCH):此命令执行后,表示以后的存储器操作命令将针对在线的所有DS1820,由于本系统中只有一片DS1820,因此发出此命令后,就可对其进行操作。

  CONVERT命令代码[44H]:启动在线DS1280进行温度A/D转换。
  
  READSCRATCHPAD命令代码[BEH]:读取温度寄存器的温度值。

  对DS1820操作的总体流程图如图8所示。

  其他功能程序

  漏电检测、数据处理、定时计数等其他功能程序都根据程序运行时间进行了统筹设计,在此不再进行详述。


图6 读写时序图


图7 初始化时序


图8 DS1820操作流程图

  结语

  电热水器单片机控制器具有新颖、价廉、安全、实用等优点,并且在国产电热水器上获得了成功应用。本文的一些方法也适用于冰箱、空调等家用电器的电脑控制设计中。




关于我们 | 会员服务 | 广告服务 | 支付方式 | 联系我们 | 友情链接

会员服务热线:

深圳矽通科技版权所有 © Copyright 2005-2007, ic-cn.com.cn All Right Reserved.  粤ICP备07006430号
深  圳13410210660             QQ : 317143513   点击这里与电子元件采购网联系
客服联系: MSN:CaiZH01@hotmail.com       E-mail:info@ic-cn.com.cn